Solidification of steels page 1 of 8
In their simplest form, steels are alloys of Iron (Fe) and Carbon (C). The Fe-C phase diagram is shown below, up to around 7% Carbon. This is a fairly complex phase diagram but, as we are only interested in the steels part of the diagram we can make a few simplifications.

Steels have been so important to engineers for so many years that each phase has inherited a name as well as a Greek letter.

The phase diagrams for steels are on p24 of your book.

Solidification of steels page 2 of 8
The gamma phase is called austenite. Austenite is a high temperature phase and has a Face Centred Cubic (FCC) structure [which is a close packed structure].

The alpha phase is called ferrite. Ferrite is a common constituent in steels and has a Body Centred Cubic (BCC) structure [which is less densely packed than FCC].

Fe3C is called cementite and lastly (for us), the "eutectic like" mixture of alpha+cementite is called pearlite.

Solidification of steels page 3 of 8
The problem can be simplified by accounting for the following two points :
 
  • We are considering steels, and therefore only need to look at the Fe-C phase diagram up to around 1.4%C
     
  • We can ignore very high temperature phase changes as these will not affect the final alloy - looking at the phase diagram, all alloys up to 1.4%C must cool through the gamma (austenite) phase. So we will consider alloys from below around 1000ºC.
Solidification of steels page 4 of 8
The phase diagram shows the Fe-C phase diagram up to around 1.4%C and 1000ºC. This appears to cause a problem - there is no liquid phase but otherwise, in form, the phase diagram looks like our "standard" phase diagram. In fact, although the reactions occur in the solid state they can be treated in exactly the same way as if they included the liquid state.

There is, though, one proviso. The word eutectic is replaced by the word eutectoid (eutectic-like) to show that the reaction is in the solid state. .

Solidification of steels page 5 of 8
The eutectoid composition is Fe-0.83wt%C and at this composition the high-temperature austenite will undergo the eutectoid reaction at 723ºC:
  • austenite > ferrite+cementite
  • gamma > alpha + Fe3C

The ferrite and cementite grow co-operatively as a lamellar mixture (pearlite).

look at micrograph

Solidification of steels page 6 of 8
An alloy of composition Fe-1.3wt%C is to the right of the eutectoid point and so it is termed hypereutectoid steel.

As the austenite crosses the phase line at T2 some of the austenite will transform into cementite and so the remaining austenite will become richer in iron. Energetic considerations show that the cementite will (and does) form at the austenite grain boundaries.

When the steel reaches the eutectoid temperature the remaining austenite will be of eutectoid composition and transforms into pearlite (alpha+cementite).

So, the final microstructure will contain cementite at the grain boundaries (pro-eutectoid cementite) and pearlite (eutectoid).

look at micrograph

Solidification of steels page 7 of 8
decarburised parent steel
Samples of hypereutectoid steel normally show less pro-eutectoid cementite at the edge than in the rest of the sample. This is due to decarburisation in the surface layers at high temperatures (carbon diffuses out of the surface of the sample).

Although this is an unwanted effect the reverse effect is commonly used. A component is placed in a hot carbon-rich environment which encourages diffusion of carbon into the surface of the steel, increasing the surface hardness. This is called case carburising.

Solidification of steels page 8 of 8
The microstructures of steels vary considerably with carbon content, with increasing amounts of the hard, brittle, cementite being present in steels of higher carbon content. This variation in microstructure leads to significant changes in engineering properties, as shown in the figure.

For example, strength increases with carbon content up to the eutectoid composition but then starts to drop as a grain-boundary network of brittle cementite is formed.

Phase diagrams allow us to understand why the properties of steels change with differing carbon content and enable us to make steels with the properties we require.
Solidification of steels more info
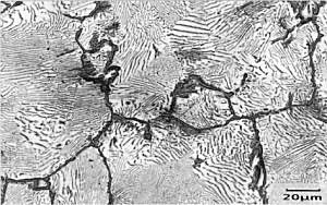
Micrograph of Fe-0.83wt%C

The specimen has been metallographically prepared and etched in boiling alkaline sodium picrate (very dangerous and explosive!) which stains the surface of the cementite brown/black and leaves the ferrite unattacked.

Solidification of steels more info
Micrograph of Fe-1.3wt%C

The specimen has been metallographically prepared and etched in boiling alkaline sodium picrate (very dangerous and explosive!) which stains the surface of the cementite brown/black and leaves the ferrite unattacked.