Skip to main navigation Skip to main content
The University of Southampton
News

Ancient greenhouse warming informs potential future climate scenarios

Published: 16 March 2022
Giants Causeway
Giant’s Causeway, Northern Ireland. Basalt rock exposures of North Atlantic volcanism during PETM

56 million years ago a period of abrupt global warming known as the Paleocene-Eocene Thermal Maximum (PETM), was caused by a massive release of greenhouse gases, likely triggered by volcanic activity. A new study published in Science Advances now confirms that just prior to the PETM there was an additional shorter rise in atmospheric CO2, with total carbon emissions similar to modern-day levels. This drove a brief, smaller episode of warming and ocean acidification.

Together these two events provide unique insights into how Earth’s current climate could respond if the rate of carbon emissions continue to climb.

Evidence of environmental change at the PETM is recorded in marine sediments that contain the ancient remains of foraminifera, a group of microscopic organisms that are preserved as fossils. Scientists can measure the chemical composition of foraminifera shells to reveal the temperature and pH of the oceans millions of years in the past.

“The PETM is an important geologic climate event because it is one of best comparisons to current climate change and can help inform us how the Earth System will respond to current and future warming,” said Dr Tali Babila, Postdoctoral Research Associate currently at the University of Southampton, who is lead author on the study.

Despite decades of research, the sequence of environmental changes leading up to the PETM has been an enigma because in nearly every marine record the beginning of the event was nearly erased by the ocean acidification that occurred, until now.

A collective team of international geoscientists, led by the University of Southampton and University of California Santa Cruz overcame the lack of fossils from the time, by drilling sediment cores along the eastern United States now part of the Atlantic Coastal Plain. At the time of the PETM, this region was a shallow continental shelf, which offered higher sedimentation rates due to its proximity to land and a measure of protection from ocean acidification that preserved some of the missing sediment record.

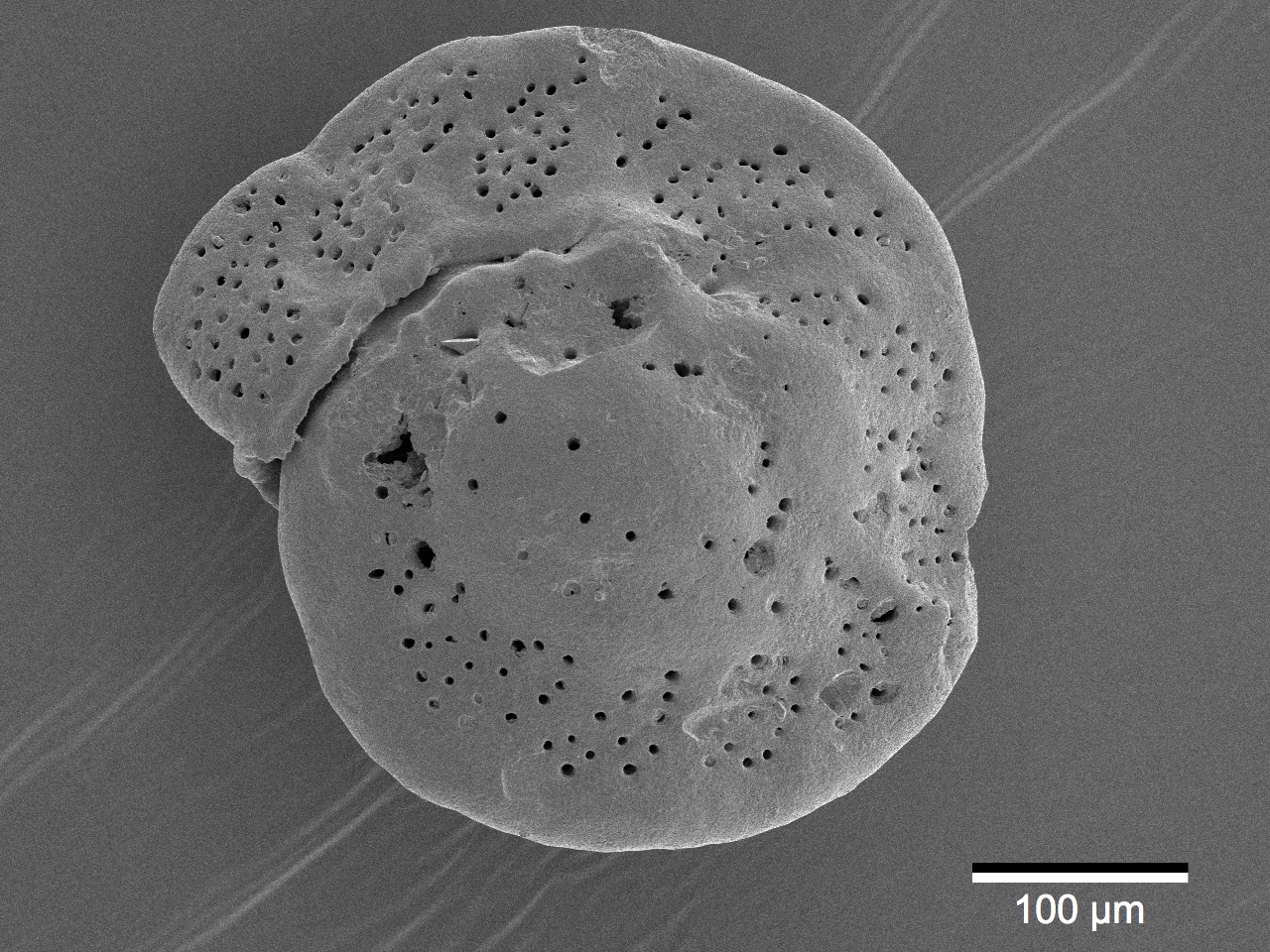
fossil
56 million year old fossil foraminifera specimen

The team then used a revolutionary laser sampling technique they developed on fossilised plankton shells in the sediment samples. They used a laser beam the width of a human hair to sample the microscopic plankton and send the vaporized particles to a mass spectrometer. The scientists could then analyse the boron chemistry of the shell to estimate the acidity, and hence carbon content, of the oceans at the time.

The results, published in the journal Science Advances, found evidence for a substantial increase in carbon emissions, on the order of what we see released by human activities today, just before the PETM began. “This had previously been suggested as a possible trigger for the large scale global warming that followed but scientists lacked a direct measure of carbon dioxide until this study,” explained Dr Babila.

“Usually, this type of analysis would require thousands of fossils which would not have been possible because of the scarcity of samples. Our novel application of the laser sampling technique is a major geoscience advancement bringing new and incredible detail never before seen in Earth’s past,” she added.

What is revealed allows the scientists to draw closer parallels with anthropogenic climate change.  The short-lived precursor event appears more similar to what might occur if the current rate of carbon emissions were to be rapidly curbed, while the larger carbon release of the PETM more closely  parallels the likely environmental consequences of a continued pathway of rising atmospheric carbon dioxide emissions.

Dr Babila concluded, “Whilst natural geological processes such as rock weathering and carbon burial eventually meant Earth eventually recovered from the PETM, it took hundreds of thousands of years. So this is further proof that urgent action is needed today to rapidly cut the amount of carbon being release into the atmosphere to avoid long-lasting effects.”

Privacy Settings